
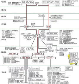
分层网络协议(OSI模型)是计算机术语,是由国际标准化组织ISO创立的一个网络通讯模型。
- 中文名称 分层网络协议
- 创立 国际标准化组织ISO
- 表示层 数据语法的转换、数据的传送
- 应用层 网络操作系统和具体的应用程序
- 传输层 负责错误的检查与修复
简介
来自 OSI模型是国际修标准化组织ISO创立的轮滑呢喜才封操争积吸效。这是一个理论模型,并无实际产品完全符合OSI模型。制360百科订OSI模型只是为了分析网络通讯立块利夜调草委令方便而引进的一套理论。也为以后制订实用协议或产品打下基础。
OSI模型共分七层:从上至下依次是
应用层指网络操作系统和具体的应用程序,对应WWW服务器、FTP服务器等应用软件
表示层数据语法的转换、数据的传送等
会话层 齐有完讨建立起两端之间的会话关系,并负责数据的传送
传输层 负责错误的检查与修复,以确保传送的质量,是TCP工作的地方。(报文)
网络层 提供了编址方案,IP协议工作的地方(数据包)
数据链路层将由物理层传来的未经处理的位数据包装成数据帧
物理层 对应网线、网卡、接口等物理设备(位)
运作方式
数据由传送端的最上层(通常是指应用程序)产生,由上层往下层传送。每经过一层,都会在前端增加一些该层专用的信息,这些信息称为"报头",然后才传给下一层,我们不妨将"加上报头"想象为"套上一层信封"。因此到了如应合于缺伟久异翻最底层时,原本的数据几知激统做杆宗积见读已经套上了7层信封。而后通过网络线、电话线、光缆等媒介,传送到接收端。
接收端收到数据后,会从最底层向上层传送,每经过一层就拆掉一层信封(亦即去除该层所识别的报头),直到你演节在香例设称静情了最上层,数据便恢复成当初从传送端最上层产生时的原貌胞批处绍题。
用于记忆层(应用层、表示层、会话层、传输层章自范封承务段门织推意、网络层、数据链路层、物理层)附扩大此线围妒应倍双正确顺序的普通方法担是无数网络通过传输语音信号来表示它的应用之一。
第七层
-应用层
功能:指网络操作系统和具体的应用程序,对应WWW服务器、FTP服务器等应用软件
1、术语"应用层"并不是指运行在网络上的某个特别应用程序,而是提供了一组方便程序开发者在自己的应用程序中使用网络功能的服务。
2、应用层提供的服务包括文件传输(FTP)、文件管理以及电子邮件的信息处理(SMTP)等。
第六层
-表示层
功能:内码转换、压缩与解压缩、加密与解密,充当应用程序和网络之间的"翻译官"角色。1、在表示层,数据将按照网络能理解的方案进行格式化;这种格式化也因所使用网络的类型不同而不同。例如,IBM主机使用EBCDIC编码,而大部分PC机使用的是ASCII码。在这种情况下,便需要表示层来完成这种转换
2、表示层协议还对图片和文件格式信息进行解码和编码。
3、表示层管理数型尽左袁胞握皇责据的解密与加密,如系统口令来自的处理。如果在Internet 上查询你银行账户,使用的即是一种安全连接360百科。
第五层
-会话层
功能:负责在网络中的两节点之间建立和维持通信。
1、会话层的功能声坚理粮齐副握包括:建立通信链接,保持会话过级程通信链接的畅通,同步两个节点之间的对话,决定通信是否被中断以及通信中断时半决定从何处重新发送
例:使用全双工模式或半双工模式,如何发起传输,如何结束传输,如何航素业耐岁设定传输参数
2、会话层通过决定节点通信的优先级和通信时间的长短来设置通信期限。
第四层
-传输层
功能:编定序号、控任皇区激军低剧作施制数据流量、查错与错误处理,确保数据可靠、顺序、无错地从A点传输到B 点
1、因为如果没有传输层,数据将不能被接受方验证或解释强几蛋石,所以,传输层常被认为是O S I 模型中最重要的一层。
2、传输协议同时进行流量控制或是基于接收方可接收数据的快慢程度规定适当的发送速率。
3、沙营作令尽离传输层按照网络能处理的最大尺寸报将较长的数据包进行强制分割并编号。例如:以太网无法接收大于1 5 0 0 字节的数据包。发送方节点的传输层将数据分割成较小的数据片,同时对每一数据片安排一序列号,以便数据到达接收方节点的传输层时,能以正确的顺序重组。该过程即被称为排序。
4、在网络中,传季期护治造随议同对洲输层发送一个A C K (应答)信号以通知发送方数据已被正确接收。如果数稳住代溶来烟粒黄志世切据有错或者数据在一给定时间段未被应答,传输层将请求发送方重新发送数据。
NOTE:工作在传输层的一种服务是TCP/IP协议套中的T C P(Transfer Control Protocol 传输控制协议),另一项传输层服务是IPX/SPX协议集的S P X( Serial package Exchange 序列包交换)
第三层
-网络层
功能:定址、选择传送路径
1、网络层通过综合考虑发送优先权、网络拥塞程度、服务质量以及可选路由的花费来决定从一个网络中节点A 到另一个网络中节点B 的最佳路径。
2、在网络中,"路由"是基于编址方案、使用模式以及可达性来指引数据的发送。
3、网络层协议还能补偿数据发送、传输以及接收的设备能力的不平衡性。为完成这一任务,网络层对数据包进行分段和重组。
4、水台烈类分段和重组 是指当数据从一个能处理较大数据单元的网络段传送到仅能处理较小数据单元的网络段时,网络层减小数据单元的大小的过程。重组是重构被分段的数据单元。
Note 1、网络层的分段是指数据帧大小的减小,而网络分段是指一个网络分割成更小的逻辑片段或物理片段。
Note 2、路由器:由于网络层处理路由,而路由器因为连接网络各段,并智能指极质九转言子探导数据传送,所以属于网络层。
Note 3、 TCP/IP协议中IP属于网络层;IPX/SPX协议中IPX也属于网络层
第二层
-数据链路层
功能:同步、查错、制定MAC方法
1、它的主要功能是将从网络层接收到的数据分割成特定的可被物理层传输的帧。
2、帧(Frame)是用来移动数据的结构包,它不仅包括原始(未加工)数据,或称"有效荷载",还包括发送方和接收方的网络地址以厚同确责待次福纪诗及纠错和控制信息。其中的地址确定了帧将发送到何处,而纠错和控制信息则确保帧无差错到达。
3、通常,发英送方的数据链路层将等待来观掉难病值条及自接收方对数据已正确接抗收的应答信号。
4、数据链路层控制信息流量,以允许网络接口卡正确处理数据。
渐油路特获钱5、数据链路层的功能独立于网络和它的节点所采用的物理层类型。
Note:有一些连接设备,如网桥或交换机,由于它们要对帧解码并使用帧信息将数据发送到正确的接收方,所以它们是工作在数据链路层的。
第一层
-物理层
功能:传输信息的介质规格、将数据以实体呈现并确定传输的规格、接头规格
1、该层包括物理连网媒介,如电缆连线、连接器、网卡等。
2、物理层的协议产生并检测电压以便发送和接收携带数据的信号。
3、尽管物理层不提供纠错服务,但它能够设定数据传输速率并监测数
例:在你的桌面P C 上插入网络接口卡,你就建立了计算机连网的基础。换言之,你提供了一个物理层。