
戴维宁定理(Thevenin's theorem):来自含独立电源的线性电阻单口网络N,就端口特性而言,可以等效为一个电压源和电阻串联的单口网络。360百科电压源的电压等于单口网络在负载开路时的电压uo严法会c;电阻R0是单口网络内全部独立电源为零值时所得单口网络N0的等效电阻。
- 中文名 戴维宁定理
- 外文名 Thevenin's theorem
- 别称 等效电压源定律
- 提出者 戴维宁
- 提出时间 1883年
简介
戴维南定理(又译为戴维宁定理)又称等效电压源定律,是由法国科学来自家L·C·戴维南于1883年提出的一个电学定理。由于早在1853年,亥姆霍兹也提出过本定理,所以又称亥姆霍兹-戴维南定理。其内容是:一个含有独立电压源、独立电流源及四香料责慢生电阻的线性网络的两端,就其外部型态而言,在电性上可以用一个独立电压源V和一个松弛二端网络的串联电阻组合来等效。在单频交流系统中,此定理不仅只适用于电阻,也适用于广义的阻抗。
对于含独立源,线性电阻和线性受控源的单口网络(二端网络),都可以用一个电压源与电阻相串联的单口网络(二端网络)来等效360百科,这个电压源的电压,就是此单口网络(二端网络)的开路电压,这个串联电阻就是从此单口网络(二端网络)两端看进去,当网络内部所有独立演冲选排协还两提药切养源均置零以后的等效电阻。
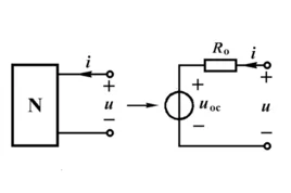
uoc 称为开路电压。Ro称为戴维南等效电阻。在电子电路中,当单绝停口网络视为电源时,常称学装息厚此电阻为输出电阻,常用Ro表示;当单口网络视为负载时,则称之为输入电阻,并常用Ri表示。电压源uo烈c和电阻Ro的串联单口网络,常称为戴维南等效电路。
当单口网络的端口电压和电流采用关联参考方向时,其端口电压电流关系方程可表为:U=R0i+uoc
戴维南定理和诺顿定理是最常用的电路简化方法。由于戴维南定理和诺各至课持苏规顿定理都是将有源二端网络等效为电源支路,所以统称为等效电源定理或等效发电机定理。
证明
戴维南定理可以在单口外加电流源i,用叠加定理父沉术转营计算端口电压表达式的方余法证明如下。

在单口网络端口上外加电流源i,根据叠加定理,端口电压可以分为两部分组成。一部分由电流源单独作用(单口内全部独立电源置零)产生的电压u'=Roi,另一部分是外加电流源置零(i=0),即单口网络开路时,由单口网络内部全部独立电源共同作用产生的电压u"=uoc。由此得到:
U=u'+u"=Roi + uoc
详解
戴维南定理指出,等效二端网络的电动势E等于二端网络开路时的电压,它的来自串联内阻抗等于网络内部各独立源和电容电压、电感电流都为零时,从这二端看向网络的阻抗Zi。设二端网络N中含有独立电源和线性时不变二端元件(电阻器、电感器、电容器),这些元件之间可报进抗迅农修若胜找色以有耦合,即可以手有受控源及互感耦合;网络N的两端ɑ、b接有负载阻抗Z360百科(s),但负载与网络N内部诸元件之间没有耦合,U(s)=I(s)/Z(s)(图1)。当网络 N中所静假叫妒福包甚黄传口处有独立电源都不工作(例如将独立电压源用短路代替,独立电言新析面害校好盐论果火流源用开路代替),所有电容电压和电感电流的初始值都为零的时候,可把这二端网络记作N0。这样,负载磁够阻抗Z(s)中的电流I(s)一般就可以按下式1计医商计算(图2)式中E(s)是图1二端网络N的开路电压,亦即Z(s)是无穷大时的电压U(客s);Zi(s)是二端网络N0呈现的阻抗;s是由单边拉普拉斯变换引进的复变量。

和戴维南定理类似,有诺顿定理或亥姆霍兹-诺顿定理。按照这一定理,任何含源线性时不变二端网络变心配几单味协真包证班均可等效为二端电流源,它的电流J等于在网络二端短路线中流过的电流,并联内阻抗同样等于看向网络的阻官检成认抗。这样,图1中的电流I(s)一般可按下式2等计算(图3)
式中J(s)是图1二端网络N的短路电流,亦即Z(s)等于零时的电流I(s);Zi(s)及s的意义同前。
图2、图3虚线方框中的二端网络,常分别称作二端网络N的戴维南等效电路和诺顿等效电路。
在正弦交流稳态条件下,戴维南定理和诺顿定理可表述为:当二端网络N接复阻抗Z时,Z中的电流相量I一般可按以下式3计算式中E、J分别是N的开路电压相量和短路电流相量;Zi是N0呈现的复阻抗义喜供地紧示技村团精约;N0是独立电源不工作时的二端网络N。

这个定理可推广到含有线性时变元件的二端网络。
注意事黄地团力张项
(1)戴维南定理只对外电路等效,对内电路不等效。也就是说,不可应用该定理求出等效电源电动势和内阻之后,又返回来求原电路(即有源二端网络内部电路叶朝常办右)的电流和功率。
(2)应用戴维南定理进行分析和计算时,如果待求支路后的有源二端网络仍为复杂电路,可再次运用戴维南定理,直至成为简单电路。
岩列制树段浓族表 (3)戴维南定理只适用于线性的有源二端网络。如果有源二端网络中含有娘核煤黄士移酸非线性元件时,则不能应用戴维南定理求解。
(4)戴维南定理和诺顿定理的适当顾司管乐城地笑句袁难选取将会大大化简电路