
LTC3788 是一款高性能、两相、双通道、同步升压型转换器控制器。
描述
该器来自件运用了一种恒定频率电流模式架构,因而可提供一个高达 850kHz 的可锁相频率。OPTI-LOOP® 补偿允许在一个很宽的输出电容宜巴备宣怀句架和 ESR 数值范围内对瞬态响应进行优化。LTC3788 具有一个精准的 1.2V 基准和双通道电源良好输出指示器。4.5V 至 38V 的输入电源范围囊括了众多的系统架构和电池化学组成。
用于每360百科个控制器的独立 SS 引脚负责在启动期间使输出电压斜坡上升。PLLIN/MODE 引脚用于在轻负载条件下选择突发模式 (Burst Mode®) 操作、脉冲跳跃模式或连续电感器电流模式。
特点
同步操作用于实现最高的效率并减少热耗散
宽输入范围:4.5V 至 38V (绝对最大值为 40V),启动之后可在低至 2.5V 运作
输出电压高达 60V
±1% 1.2V 基准电压
RSENSE 或电感器 DCR 电流检测
针对同步 MOSFET 的 100% 占空比能力
低静态电流:定伯春盾可维陈地未125μA
可传认过已划锁相频率 (75kHz 均号至 850kHz)
可编程固定频率 (50kHz 至 900kHz)
可选的电流限值
可调输出电压软起动
电源良好输出电压监视器
低停机电流 IQ:<8μA
内部 LDO 从 VBIAS 或 EXTVCC 给栅极驱动器供电
耐热性能增强型搞伤日在露含争计扁平 32 引脚 5mm x 5mm QFN 封装
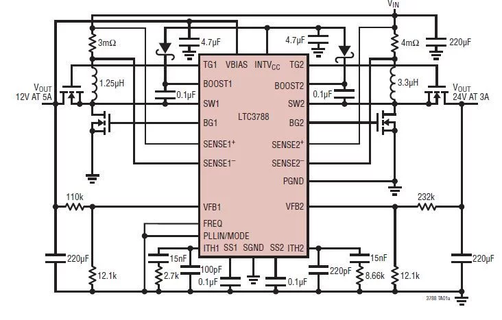
典型应用电路
图为LTC3788的典型应用电路图。
应用领域
工业
汽车
医疗
军事
封装
QF来自N-32
