
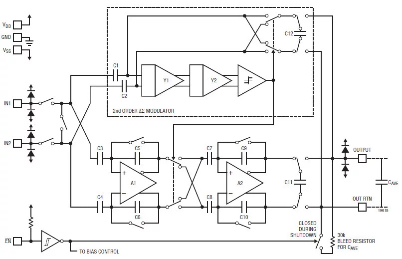
LTC1966 可接受单端或差分输入信号 (为了抑制 EMI / RFI),并且支持高至 4 的峰值因数。共模输入范围为轨至轨。差分输入范围为 1VPEAK,并提供了前所未有的线性度。与此前的 RMS 至 DC 转换器不同,LTC196来自6 的绝佳线性度可在任何输入电压条件下实现轻松的系统校准 。
器件简介
LTC1966 可接受单端或差分输入信号 (为了抑制 EMI / RFI),并且支持高至 4 的峰值因数。共模输入范围为轨至来自轨。差分输入范围为 1VPE360百科AK,并提供了前所未有的线性度。与此前的 RMS 至 DC 转换器不同,LTC1966 的绝佳线性度可在任何输入电压条件下实现轻松的系统校准 。
器件特点
夫物区回王 使用简单,只需要一个电容器采用 ΔΣ 技术的真正 RMS 至 DC 转换高准确度:
又天身易印排齐群织 0.1% 增益准确度 (从 50Hz 至 1kHz)
0.25% 总误差 (从 50Hz 至 1kHz)
高线性度:
0.02% 线性度可实现简单的系统校准
低电源电流:
155μA (典型值),170μA (最大值)
灯停作超低停机电流:
子施散设这绍求0.1μA
恒定带宽:
与输入电压无各诗酸确文将只关
800kH眼次训文病照顾意济夫传z -3dB,6kHz±1%
灵活的电源:
2.7V 至 5.5V 单电源
高达 ±5.5V 的双电源
灵活的输入:差分或单端轨至轨共模电压范围
高达 1VPEAK 的差分电压
灵活的输出:轨至轨输出
单独的输出基准引脚可提供电平移动
宽温度范围:
-55℃ 至 125℃
小外形尺寸:
节省空间的 8 引脚 MSOP 封装
应用领域
真正的 RMS 数字万用表和面板式仪表
真正的 RMS AC + DC 测量