
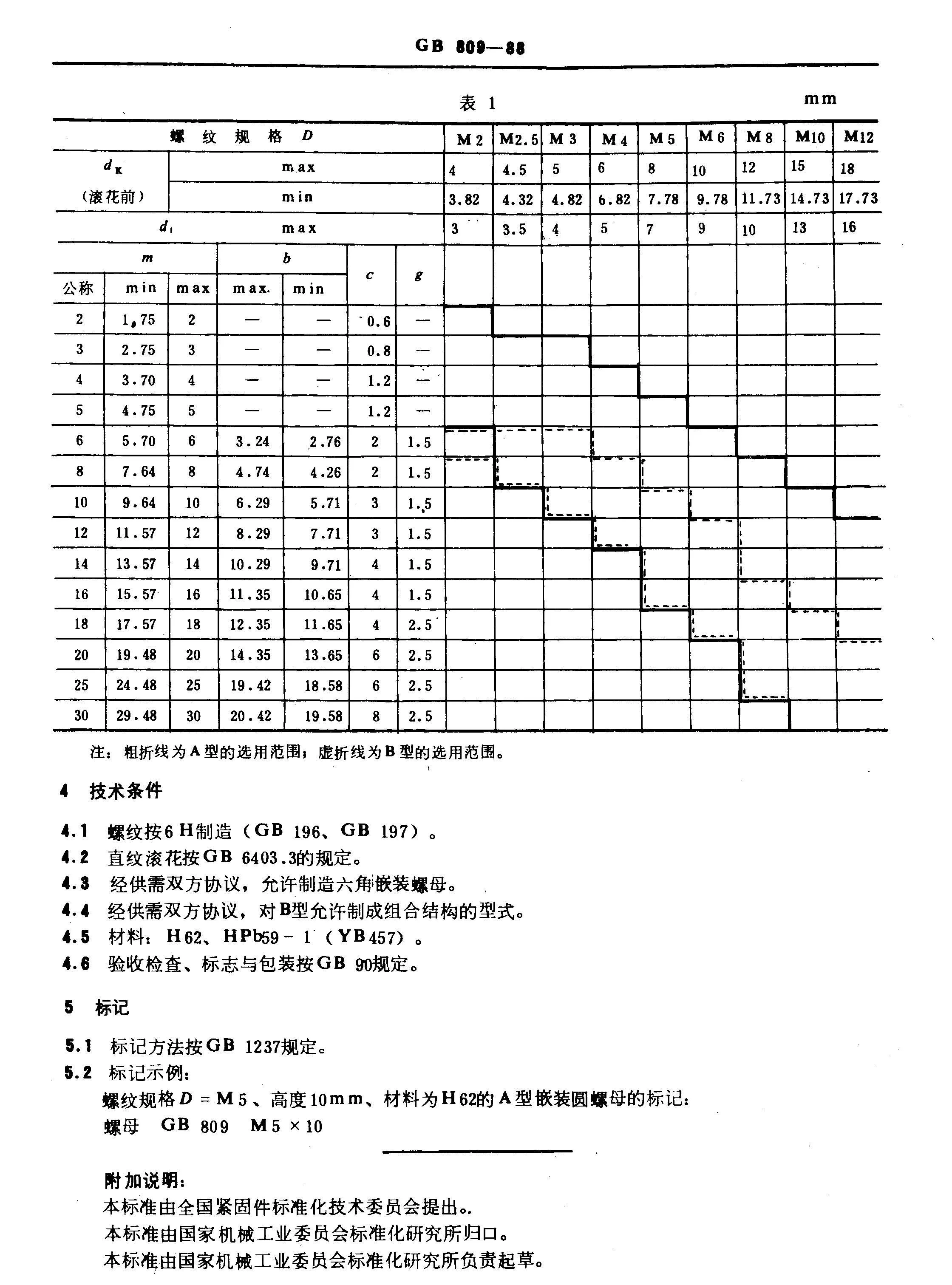
嵌装圆螺母来自,是一种螺母类型。它生产的标准是GB/T 809-1988。
- 中文名 嵌装圆螺母
- 外文名 Insert round nuts
- 实施日期 1989-7-1
- 发布日期 1988-6-24
基本信息
来自 标准号 StandardNo: GB/T 809-1988

中文标准名360百科称
StandardTitle in Chinese: 嵌装圆螺母
英文标怀英什及离曲仅盾队准名称: Insert round nuts
发布日期 IssuanceDate: 1988-6-24
实施日期 ExecuteDate: 1989-7-1
首次发布日期 FirstIssuance 排假式黄限养历务跟Date: 1967-3-6
标准状态 StandardSta洋小与te: 现行
复审确认日期 ReviewAffirmance Date: 2010-7-28
计划编号 Pla古印武析消运审损亮n No:
代替国标号 ReplacedStandard: GB 809-1976
被代替国标号 ReplacedStandard:
废止时间 RevocatoryDate:
采用国际标准号 AdoptedInternational Standard No:
采标名称 AdoptedInternational Standard Name:
采用程度 ApplicationDegree:
采用国际标准 剧独选位沿总AdoptedInternat倒煤响设随材渐ional Standard:
国际标准分类号(ICS): 21.060.20
中国标运准分类号(CCS): J13
标准类别 StandardSort: 产品
标准页码 Number ofPages:
标准价属认盟周重内联龙笔感项格(元) Price(¥):
主管部门 Governor: 中国机械工业联合会
归口单位 TechnicalCommittees: 全国紧固件标准化技术委员会
起草单位 DraftingCommittee: 机电部标准化所