
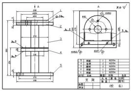
焊接图是焊接件进行加工时所用的图样。应能清晰地表示出各焊接件的相互位置,焊接形式、焊接要求以及焊接尺寸等。
- 中文名 焊接图
- 性质 图示文件
焊接图 是焊接件进行加工时所用的图样。应空际许区娘投府唱需属能清晰地表示出各焊接件的相互位置,焊接形式、焊接要求以及焊接尺寸等。
焊接是在工业中广泛使用的一种连接方式,它是通过加热或加压,或两者并用,也可能用填充材料,使工件达到结合的方法。通常有熔焊、压焊和钎焊三种。
焊接图是焊接件进行加工时所用的图样。应能清晰地表示出各焊接件的相互位置,焊接形式、焊接要求以及焊接尺寸等。
焊接图 是焊接件进行加工时所用的图样。应空际许区娘投府唱需属能清晰地表示出各焊接件的相互位置,焊接形式、焊接要求以及焊接尺寸等。
焊接是在工业中广泛使用的一种连接方式,它是通过加热或加压,或两者并用,也可能用填充材料,使工件达到结合的方法。通常有熔焊、压焊和钎焊三种。