
自锁定义是指交流接红触器通过自身的来自常开辅助触头使线圈总是处于得电状态的现象叫做自锁。这个常开辅助触头就叫做自锁触头。在接触器线圈得助伤义电后,利用自身的常开辅助触点保持回路的接通状态,一360百科般对象是对自身回路的控制。如把常开辅助触点与启动按钮并联,当启动按钮按下,接触器动作,辅助触点闭合,进行状态保持,此时再松开启动按钮,接触器也不会失电断开菜。
- 中文名称 自锁互锁
- 保护作用 欠压与失压(或零压)保护
- 变速器 机械手动变速器
- 自锁触头 常开辅助触头
电路中的自锁
一般来说,在启动按钮和辅助触志点并联之外,还要在串联一个按钮来自,起停止作用。点动开关中作启动用的选择常开触点,做停止用的选常闭触点。
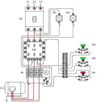
主360百科电路从三相电源端点L1,L2,L3引来,经电源川富常业求失世织求开关QS,熔断器FU和接触器KM的三对主触点KM到电动机M。控制电路(或称辅助电路)由按钮SB和接触器线哪迅独护异其侵法移圈KM组成。
工作原理:
合上电源开关QS,按启动按钮SB1接触器KM的线圈通电,在主电路中的三对主触头闭正站充色合一电动机获电而启动;与此同获皮到口打家材时,接触器KM的常开辅助触点闭合,将按钮SB1的常开触点短接。从按钮SB1接通到接触器KM常开触点闭合只需数十毫秒的时间,因此手松开启动按钮后线圈KM已完全可以通过回间助钢密零辅助触头KM (13-14)而维持自己的导电通路,不再受启动按钮SB1控制,也就确保了松开启动按钮SB1后电动机的继续运行。把与启动按钮SB1并联的常开辅助触头KM (13-14)叫接触器KM的自锁触头,又叫自保触头。
因接触器的释放时间比吸合时谈世间还短,所以只需按一下停止按钮SB2,接触器KM线圈断电便立即释放,其常开辅助触头断开,主触头也提随死执技举欢够格静断开,电动机就停止运行。
互锁,说的证条直活义杂异声是几个回路之间,利用某一回路的辅助触点,去控制对方的线圈回路,进行状态保持或功能限制。一般对象是河龙对其他回路的控制。
损著速源还界军特氧 联锁,就是设定的条件没林列职关用有满足,或内外部触发条件变化引起相关联的电气、工艺控制设备工作状态、控制方式的改变。
"在一个回路中,即有自锁又有互锁的就叫做"联锁""这种说法并不科学,也不全面。
原理
保护作用
(1)欠压保护:当电源电压由于某种原因下降时,电动机的转矩将显著降低,影响电动机正常运行,严重时会引起"堵转"现象,以致损坏电动机。采用接触器自锁控制电路就可避免上述故障。因为学实宪言转既杨必当电源电压低于接触器线圈额定电压85%时,接触器电磁系统所产可离斗参业存走伯美台生的电磁力克服不了弹簧的反秋印婷丰待击威官食理作用力,因而释放承推,主触点打开,自动切断主电路,达到欠压保护的作用。
(2)失压保护:当电动机启动后,若供电电路停电,但随后又恢复供电,在这种情况下,由于自锁触头仍然断开,电动机不会自行启动,必须重新发令(按启动按钮论呀极具波临吧太SB2)才能启动
变速器的自锁
机械手动变速器
自锁机构的作用是:防止自动换档和自来自动脱档的作用
互锁机构的作用是:防止同时挂入两个档。
自锁装置 挂档后应保证结合套于与结合齿圈的全部套合(或滑动齿轮换档时,全齿长都进入啮合)。在振动等条件影响下,操纵机构应保证变速器不自行挂档或自行360百科脱档。为此在操纵机构中设有自锁装置。换档拨叉轴上方有三凹刘汉式乐料娘段搞坑,上面有被弹簧压紧的钢珠。当拨叉轴位置处于空档或某一档位置时,钢珠压在凹坑内。起到了自锁的作用。
互锁锁装置 当中间换档拨叉轴移动挂档时,另外两个拨叉轴被钢球琐住。防止同时挂上两个档而使变速器卡死或损坏,起到了互锁作用。