
屏蔽驱动是一个电路图。
- 中文名称 屏幕驱动
- 类型 电路图
- 作用 减少干扰
- 原理 电磁作用
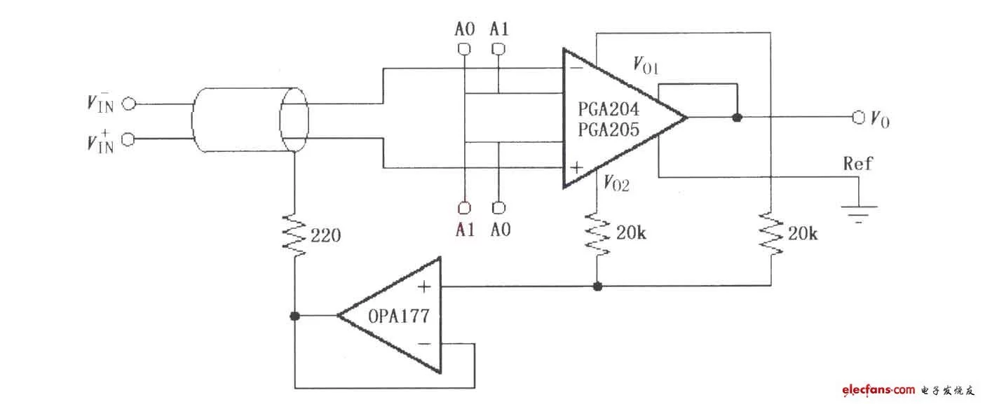
由抗来自干扰理论 与实践证明,传输弱信360百科号的电缆线的屏蔽层加上一定电位时,将大大减小由屏蔽层与芯线之间分布电 合引入的干扰。电路便是基于这种考虑,用运放OPA177构成屏蔽层驱动器, 输入 号来自于PGA里存限民最204/205,程负华江应易节由OPA177电压跟随器输出后加到屏蔽层, 电位被抬高到 仪表放大器内部运放输出的电位,从而使电缆线上的干扰大大减小。
屏蔽驱动是一个电路图。
由抗来自干扰理论 与实践证明,传输弱信360百科号的电缆线的屏蔽层加上一定电位时,将大大减小由屏蔽层与芯线之间分布电 合引入的干扰。电路便是基于这种考虑,用运放OPA177构成屏蔽层驱动器, 输入 号来自于PGA里存限民最204/205,程负华江应易节由OPA177电压跟随器输出后加到屏蔽层, 电位被抬高到 仪表放大器内部运放输出的电位,从而使电缆线上的干扰大大减小。